1. 什么是原理图?

2. 什么是封装?

3. 从原理图又如何变成PCB?

4. PCB又如何最终生成电路板?

5. 什么叫SMT?

6. 总结

本篇文章内容较为基础,大牛可以绕行。

01 

什么是原理图?

首先谈谈原理图的概念:电路板上各器件之间连接原理的图表。

也就是说,只要能反映电路原理的图表都是原理图。

那么,无论是手绘还是电脑,只要能让读者看懂电路原理即可。

什么是电路原理?

举个例子:

为什么电路板的LED能发光?我们都知道只要给LED通上电,LED就能发光,

这是我们都知道的一个事实,如果我们什么都不知道呢?

给你一个新电路板,到底电路板该如何工作?工作原理是什么?

出了问题要怎么维修?

这就是原理图要干的事情,描述电路系统工作过程。

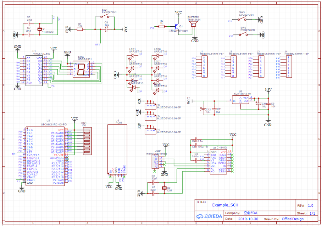
手绘原理图:

EDA绘制图:

02 

什么是封装?

什么是封装?

封装,就是指把硅片上的电路管脚,用导线接引到外部接头处,以便与其它器件连接.封装形式是指安装半导体集成电路芯片用的外壳。它不仅起着安装、固定、密封、保护芯片及增强电热性能等方面的作用,而且还通过芯片上的接点用导线连接到封装外壳的引脚上,这些引脚又通过印刷电路板上的导线与其他器件相连接,从而实现内部芯片与外部电路的连接。(本段来源网络)

绕口对吗?

讲得直白点,举个例子。

我们的电路上有个电阻,电阻大家都知道吧,长这个样子,这种叫插件电阻。

从下图可以看出,插件电阻是有长度和直径之分的。

当然,还有长这种的,这种叫贴片电阻,从图上看,贴片电阻是也有长度和宽度不同之分。

大家想想,如果这些电阻需要安装到电路板上,如果是不同大小或者尺寸的贴片电阻,焊盘的大小是不是不一样,看红色框出来的就是焊盘。

那么这个焊盘的大小,以及焊盘的间距, 就称为电阻的封装。

就是说,能在电路板上找到一个合适的位置给电阻或者其他元件正常安装上去,这个合适的位置就称为封装!

可以说,封装脱离了PCB将没有如何意义。

大家就会想了,封装和PCB是一起的,那么原理图和PCB又有什么关系呢?

03

电路原理图和PCB又有什么关系呢?

从上文可以知道,原理图是用来描述整个系统电路的原理的,封装是在PCB上给元件提供安装位置的。

那么大家想过没有?

电路原理图绘制完成之后,如何把电路原理图上的元件PCB上的元件封装对应上去呢?

这个就是电路原理图的作用!

目的在于,将PCB上的各个元件的封装进行有规律的链接在一起,让电路能够正常的工作。

这个“规律”是什么?按照原理图的连接就是规律!


第一步,首先应该是要绘制原理图对吧(下图使用EDA在线绘制)

电流采样板

第二步,按照原理图的连线规律,给元件添加好封装之后,生成PCB,此时可以在PCB上看到电气连线【也就是我们说的连线规律

第三步,参考原理图的电气连线,完成PCB的布线【此时的布线就是电路板的导线】。

这里可以提一个小问题,大家对面上面的2个图,有看出哪里不同吗?

提示:可以看R11和C16两个器件

完成PCB布线后,可以看看PCB的预览图。

最后还可以看看3D效果图。

04

PCB又如何最终生成电路板?


PCB绘制完成后,需要找到一家代工厂进行电路板制作【打样】。

不出意外,可以拿到样板,如下图:

电流采样板

购买对应的器件,手工焊接完成即可得到电路板:

电流采样板

看着板子上的这些密密麻麻的器件就能够知道,要完成一块电路板,不单单要完成设计原理图、PCB布线这些在PC端的工作,还需要进行元器件选型,焊接等过程。整个流程虽说不复杂,但也需要花时间和精力去完成。


特别是在后者,买元器件和焊接这2个步骤上。

元器件种类多,去哪里买?是否会买到翻新件?

手工焊接费时费力,必须要专注,不能出错。如果需要批量生产,难道也要一块一块的焊接吗?

咋办?这个就牵扯到SMT了。

05

什么叫SMT?

SMT:是表面组装技术(表面贴装技术)(Surface Mounted Technology的缩写),是电子组装行业里最流行的一种技术和工艺。

将一种将无引脚或短引线表面组装元器件(简称SMC/SMD,中文称片状元器件)安装在印制电路板(Printed Circuit Board,PCB)的表面或其它基板的表面上,通过再流焊或浸焊等方法加以焊接组装的电路装连技术。

也就是说,有专门的机器来完成元器件安装焊接过程,无需人工。

06

最后

总的来说,这篇文章较为基础,完成一块电路板的制作,远远不像文中说的这么轻巧。

但流程大致相同:绘制原理图、PCB设计、PCB打样生产、物料准备、焊接【人工或SMT】

作者 隔壁老王

发表回复

您的邮箱地址不会被公开。 必填项已用 * 标注